- Технические характеристики и другая информация предоставляются для справки.
- Чертежи и изображения представлены для ознакомления
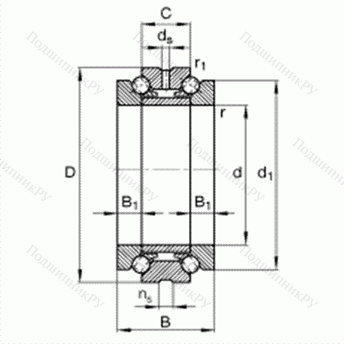
Подшипник шариковый упорно-радиальный 234472-M-SP
Подшипник шариковый упорно-радиальный 234472-M-SP конструкция которого является разборной и включает в себя свободное и тугое кольца, а также сепаратор (чаще всего, стальной) и комплект шариков, которые могут устанавливаться отдельно, что упрощает процесс установки и демонтажа системы. Существуют одинарные и двойные варианты: первый состоит из двух шин и шарикоподшипников, оснащенных сепараторной оболочкой, и может воспринимать однонаправленное воздействие, а второй отличается лишь наличием пары комплектов тел качения и восприятием двунаправленных сил.
В чем плюсы и особенности Подшипник шариковый упорно-радиальный 234472-M-SP?
- Работает только с нагрузками осевого типа и не рассчитан на воздействие радиального вектора приложения сил.
- Характеризуется повышенной стойкостью к рабочим нагрузкам, что позволяет увеличить срок эксплуатации по сравнению с иными моделями.
- Отвечает уровню качества, закрепленному в международных нормах ИСО, российских ГОСТах, японских, американских и немецких стандартах.
Приобретайте с выгодой для бюджета Подшипник шариковый упорно-радиальный 234472-M-SP ГОСТ или его (аналог ISO), также прочие надежные изделия FAG, KOYO, NSK, SKF, SNR в нашем интернет-магазине!
Технические характеристики
Обозначение : 234472-M-SP
Размеры, мм : 360x540x212
Производитель : FAG
Диаметр внутренний, мм : 360
Диаметр наружный, мм : 540
Высота, мм : 212
Технические данные из каталога производителя :
d - 360 mm
D - 540 mm
B - 212 mm
B1 - 53 mm
C - 106 mm
Da - 505,5 mm / допуск: Н12
d1 - 479 mm
da - 433 mm / Допуск: h12
ds - 9,5 mm
ns - 17,7 mm
r1 min - 1,5 mm
ra max - 3 mm
ra1 max - 1,5 mm
rmin - 4 mm
α - 60 ° / Угол контакта
m - 128 kg / Вес
Ca - 590000 N / динамическая грузоподъемность, осевая
C0a - 2950000 N / статическая грузоподъемность, осевая
nG Fett - 1000 1/min / Предельная частота вращения при консистентной смазке
nG Ol - 1500 1/min / Предельная частота вращения для системы смазывания минимальным количеством масла
Cua - 125000 N / нагрузка предела усталости, осевая
двустороннего действия, разъемные, суженные поля допусков
|
Производитель
|
FAG |
|
Ширина B
|
212 |
|
Внешний диаметр D
|
540 |
|
Внутренний диаметр d
|
360 |
|
Размер
|
360x540x212 |
|
Вес, кг
|
128 |
|
Модель
|
234472-M-SP-FAG |
|
SKU
|
234472-M-SP-FAG |
Похожие по размеру
Оформить заказ на нашем сайте легко. Просто добавьте выбранные товары в корзину, а затем перейдите на страницу Корзина, проверьте правильность заказанных позиций и нажмите кнопку «Оформить заказ» или «Быстрый заказ».
Функция «Быстрый заказ» позволяет покупателю не проходить всю процедуру оформления заказа самостоятельно. Вы заполняете форму, и через короткое время вам перезвонит менеджер магазина. Он уточнит все условия заказа, ответит на вопросы, касающиеся качества товара, его особенностей. А также подскажет о вариантах оплаты и доставки.
По результатам звонка, пользователь либо, получив уточнения, самостоятельно оформляет заказ, укомплектовав его необходимыми позициями, либо соглашается на оформление в том виде, в котором есть сейчас. Получает подтверждение на почту или на мобильный телефон и ждёт доставки.
Если вы уверены в выборе, то можете самостоятельно оформить заказ, заполнив по этапам всю форму.
Выберите из списка название вашего региона и населённого пункта. Если вы не нашли свой населённый пункт в списке, выберите значение «Другое местоположение» и впишите название своего населённого пункта в графу «Город». Введите правильный индекс.
В зависимости от места жительства вам предложат варианты доставки. Выберите любой удобный способ.
Оплата
Выберите оптимальный способ оплаты.
Введите данные о себе: ФИО, адрес доставки, номер телефона. В поле «Комментарии к заказу» введите сведения, которые могут пригодиться курьеру, например: подъезды в доме считаются справа налево.
Проверьте правильность ввода информации: позиции заказа, выбор местоположения, данные о покупателе. Нажмите кнопку «Оформить заказ».
Наш сервис запоминает данные о пользователе, информацию о заказе и в следующий раз предложит вам повторить к вводу данные предыдущего заказа. Если условия вам не подходят, выбирайте другие варианты.

