- Технические характеристики и другая информация предоставляются для справки.
- Чертежи и изображения представлены для ознакомления
Подшипники скольжения, дюймовая серия GEFZ 11T
Подшипники скольжения, дюймовая серия GEFZ11T конструкция которого представлена внешним кольцом, внутри вращается внутренняя обойма. Существуют прямые, шарнирные (самовыравнивающиеся), угловые, гидравлические, двойные шарикоподшипниковые и роликоподшипниковые варианты исполнения. Отдельные разновидности изделий (с парой трения «сталь – сталь») нуждаются в обслуживании и имеют каналы для подачи смазки, в то время как другие не нуждаются в ТО. В первом случает система включает в себя пару стальных шин, обработанную предварительно фосфатами и дисульфитом молибдена. Необслуживаемые модели покрываются политетрафторэтиленом, армируются медью и дополнительно усиливаются хромом.
Каковы преимущества Подшипники скольжения, дюймовая серия GEFZ11T?
- Деталь самоцентрируется в процессе монтажа, автоматически устраняя перекосы вала и несоосность.
- Воспринимает одновременно нагрузки разнонаправленного типа: аксиальную и действующую в обоих направлениях осевую.
- Отличается крайне высокой износостойкостью, минимальной ползучестью и способностью работать в ударных темпах.
Покупайте Подшипники скольжения, дюймовая серия GEFZ11T ГОСТ или его (аналоги ISO) по выгодной цене, также заказывайте другие изделия среди модельного ряда нашего онлайн-каталога от производителей FAG, KOYO, NSK, SKF, SNR!
Технические характеристики
Обозначение : GEFZ11T
Производитель : AST
Диаметр внутренний, мм : 11,1125
Диаметр наружный, мм : 23,01748
Технические данные из каталога производителя :
(размеры в дюймах)
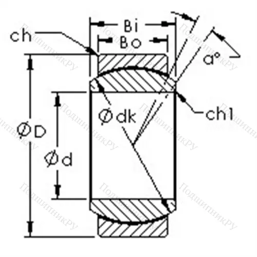
Bearing Type - plain
Bore Dia (d) - 0.4375
Outer Dia (D) - 0.9062
Outer Width (Bo) - 0.3430
Inner Width (Bi) - 0.4370
Dynamic Load Rating (Cr) - 4,271
Static Load Rating (Cor) - 6,294
Max. shaft corner radius, or 45 deg. chamfer (ch1) - 0.012
Max. housing corner radius, or 45 deg. chamfer (ch) - 0.032
Spherical Diameter (dk or Dk) - 0.687
Mis-alignment Angle (a deg.) - 8
Weight (g) - 21.00
Material - Outer ring made from carbon steel, inner ring is made from 52100 Chrome steel, or equivalent
This spherical plain bearing has a solid carbon steel outer ring, with a PTFE fabric liner.
This is a maintenance free bearing with a PTFE fabric liner and a hard chrome plated ball, lubrication is not recomended.
The bearing must be protected from dirt and contamination.
|
Производитель
|
AST |
|
Внешний диаметр D
|
23 |
|
Внутренний диаметр d
|
11 |
|
Размер
|
11x23 |
|
Вес, кг
|
21.00 |
|
Модель
|
GEFZ11T-AST |
|
SKU
|
GEFZ11T-AST |
Похожие по размеру
Оформить заказ на нашем сайте легко. Просто добавьте выбранные товары в корзину, а затем перейдите на страницу Корзина, проверьте правильность заказанных позиций и нажмите кнопку «Оформить заказ» или «Быстрый заказ».
Функция «Быстрый заказ» позволяет покупателю не проходить всю процедуру оформления заказа самостоятельно. Вы заполняете форму, и через короткое время вам перезвонит менеджер магазина. Он уточнит все условия заказа, ответит на вопросы, касающиеся качества товара, его особенностей. А также подскажет о вариантах оплаты и доставки.
По результатам звонка, пользователь либо, получив уточнения, самостоятельно оформляет заказ, укомплектовав его необходимыми позициями, либо соглашается на оформление в том виде, в котором есть сейчас. Получает подтверждение на почту или на мобильный телефон и ждёт доставки.
Если вы уверены в выборе, то можете самостоятельно оформить заказ, заполнив по этапам всю форму.
Выберите из списка название вашего региона и населённого пункта. Если вы не нашли свой населённый пункт в списке, выберите значение «Другое местоположение» и впишите название своего населённого пункта в графу «Город». Введите правильный индекс.
В зависимости от места жительства вам предложат варианты доставки. Выберите любой удобный способ.
Оплата
Выберите оптимальный способ оплаты.
Введите данные о себе: ФИО, адрес доставки, номер телефона. В поле «Комментарии к заказу» введите сведения, которые могут пригодиться курьеру, например: подъезды в доме считаются справа налево.
Проверьте правильность ввода информации: позиции заказа, выбор местоположения, данные о покупателе. Нажмите кнопку «Оформить заказ».
Наш сервис запоминает данные о пользователе, информацию о заказе и в следующий раз предложит вам повторить к вводу данные предыдущего заказа. Если условия вам не подходят, выбирайте другие варианты.
